Bestandsaufnahmen
Bedingt durch Eigentümer- oder Betreiberwechsel, unzureichende Fortschreibung nach Umbauten und ungeklärte Verantwortlichkeiten liegen aktuelle und vollständige Bestandsunterlagen zunehmend seltener vor.
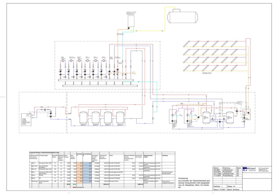
Bestandsunterlagen, zumindest bis zu einem gewissen Detaillierungsgrad, sind aber die Voraussetzung für eine Vielzahl weiterer Prozesse. Sie sind u.a. notwendig für die Planung von Umbauten oder Erweiterungen, für Messkonzepte, Anlagenoptimierungen, FM-Ausschreibungen, den hydraulischen Abgleich oder Maßnahmen zur Sicherstellung der Trinkwasserhygiene. Für die Betriebssicherheit allgemein sollten sie ebenfalls vorhanden sein.
Wir bieten Ihnen eine Bestandsaufnahme vor Ort für Ihre gebäudetechnischen Anlagen an, speziell für die Gewerke Heizung, Kälte, Lüftung, Sanitär und Gebäudeautomation.
In der benötigten Detailtiefe wird in Schemata, Grundrissen, Fotodokumentationen sowie tabellarischen Übersichten der Bestand dokumentiert oder nachgepflegt.
Gebäudetechnik

Bestandsaufnahme Heizwärmeversorgung
